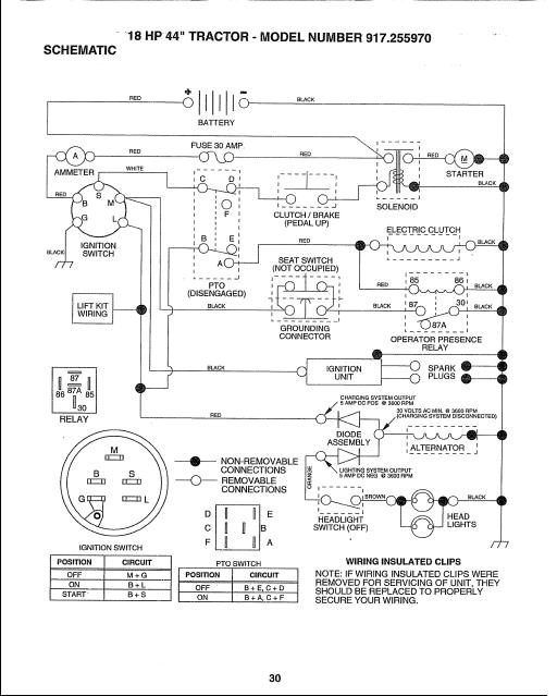
Craftsman Lawn Mower 7 Terminal Ignition Switch Wiring Diagram

Ads

If you are searching about craftsman lawn mower 7 terminal ignition switch wiring diagram you've came to the right place. We have 35 craftsman lawn mower 7 terminal ignition switch wiring diagram like Wiring diagram for craftsman lawn mower, Craftsman lawn mower model 917 wiring diagram, How to troubleshoot craftsman riding mower ignition switch wiring issues. Here it is:

Craftsman lawn tractor ignition wiring diagram

Lawn mower ignition switch wiring diagram. Craftsman riding lawn mower schematic. Craftsman riding mower ignition switch wiring diagram. Craftsman lawn mower model 917 wiring diagram

Lawn Mower 7 Terminal Ignition Switch Wiring Diagram

Craftsman riding mower ignition switch wiring diagram. Lawn mower 7 terminal ignition switch wiring diagram. Craftsman riding mower ignition switch wiring diagram. Craftsman lawn tractor ignition wiring diagram. Lawn mower 7 terminal ignition switch wiring diagram

Lawn mower 7 terminal ignition switch wiring diagram

stewart-switch.com

Lawn Mower 7 Terminal Ignition Switch Wiring Diagram Collection

Craftsman lawn tractor ignition wiring diagram. Wiring diagram for craftsman lawn mower. Craftsman lawn mower ignition switch diagram. How to wire a craftsman 7 terminal ignition switch: a comprehensive. Lawn mower 7 terminal ignition switch wiring diagram

Lawn mower 7 terminal ignition switch wiring diagram collection

www.got2bwireless.com

How To Wire A Craftsman 7 Terminal Ignition Switch: A Comprehensive

Craftsman lawn mower model 917 wiring diagram. Understanding the 5 prong lawn mower ignition switch wiring diagram. How to troubleshoot craftsman riding mower ignition switch wiring issues. Lawn mower ignition switch wiring diagram. Craftsman lawn mower 7 terminal ignition switch wiring diagr

How to wire a craftsman 7 terminal ignition switch: a comprehensive

wiringall.com

Lawn Mower 7 Terminal Ignition Switch Wiring Diagram

Craftsman lawn tractor ignition wiring diagram. Understanding a 7 terminal ignition switch wiring diagram. 7 prong lawn mower ignition switch wiring diagram. Craftsman lawn mower wiring harness. Craftsman lawn mower model 917 wiring diagram

Lawn mower 7 terminal ignition switch wiring diagram

www.circuitdiagram.co

Craftsman Lawn Mower Ignition Switch Diagram

Understanding the 5 prong lawn mower ignition switch wiring diagram. Lawn mower 7 terminal ignition switch wiring diagram collection. Understanding craftsman riding lawn mower ignition switch wiring. Lawn mower 7 terminal ignition switch wiring diagram. Craftsman lawn tractor ignition wiring diagram

Craftsman lawn mower ignition switch diagram

axiom-northwest.com

Understanding Craftsman Riding Lawn Mower Ignition Switch Wiring

How to wire a craftsman 7 terminal ignition switch: a comprehensive. Wiring diagram for craftsman riding lawn mower. Craftsman riding mower ignition switch wiring diagram. Craftsman lawn mower model 917 wiring diagram. Craftsman lawn tractor ignition wiring diagram

Understanding craftsman riding lawn mower ignition switch wiring

moowiring.com

Understanding The 5 Prong Lawn Mower Ignition Switch Wiring Diagram

Craftsman 7 terminal ignition switch wiring diagram collection. Lawn mower 7 terminal ignition switch wiring diagram. Wiring diagram for craftsman lawn mower. Craftsman riding mower ignition switch wiring diagram. Wiring diagram for craftsman lawn mower

Understanding the 5 prong lawn mower ignition switch wiring diagram

moowiring.com

Craftsman Lawn Mower Ignition Switch Diagram

Wiring diagram for craftsman lawn mower. Lawn mower 7 terminal ignition switch wiring diagram. Craftsman riding mower ignition switch wiring diagram. Craftsman 7 terminal ignition switch wiring diagram collection. Craftsman 7 terminal ignition switch wiring diagram

Craftsman lawn mower ignition switch diagram

axiom-northwest.com

Craftsman Riding Mower Ignition Switch Wiring Diagram

Understanding craftsman riding lawn mower ignition switch wiring. Craftsman mower wiring riding electrical. Understanding a 7 terminal ignition switch wiring diagram. Craftsman lawn tractor ignition wiring diagram. How to wire a craftsman 7 terminal ignition switch: a comprehensive

Craftsman riding mower ignition switch wiring diagram

www.wiringhow.com

Craftsman Lawn Mower 7 Terminal Ignition Switch Wiring Diagr

Craftsman mower wiring riding electrical. Craftsman riding mower ignition wiring diagram. Craftsman 7 terminal ignition switch wiring diagram. Understanding craftsman riding lawn mower ignition switch wiring. Craftsman riding mower ignition switch wiring diagram

Craftsman lawn mower 7 terminal ignition switch wiring diagr

manualelcuritdk.z21.web.core.windows.net

Ads