Toyota Camry Wiring Diagram

Ads

If you are searching about toyota camry wiring diagram you've visit to the right web. We have 35 toyota camry wiring diagram like [diagram] 201toyota camry hybrid wiring diagram original, Toyota camry 2019 wiring diagram [shop manuals/ repair manuals, Step-by-step guide to the 2020 toyota camry wiring diagram. Here it is:

Explore the 2008 toyota camry wiring diagram for easy troubleshooting

2019 toyota camry wiring diagram. Camry headlight justanswer electrical. Toyota camry 2018 electrical wiring diagram. [diagram] 201toyota camry hybrid wiring diagram original. 1998 toyota camry alternator wiring diagram

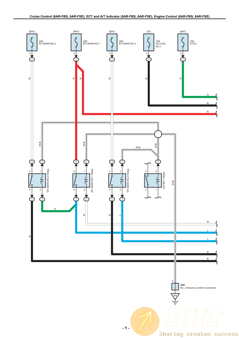
Toyota Camry 2019 Wiring Diagram [shop Manuals/ Repair Manuals

2004 toyota camry wiring diagram original. Toyota wiring diagram camry ignition system 2l 1993 1995 1989 troubleshootmyvehicle 1992 1994 database source part. 2002 toyota camry radio wiring diagram. Step-by-step guide to the 2020 toyota camry wiring diagram. Toyota camry 2018 electrical wiring diagram

Toyota camry 2019 wiring diagram [shop manuals/ repair manuals

dhtauto.com

Toyota Camry Electrical Wiring Diagram

How to find and use the 2019 toyota camry wiring diagram for easy. 2002 toyota camry radio wiring diagram. Toyota camry electrical wiring diagram. 1997 toyota camry wiring diagram pdf. Toyota camry wiring 2005 diagram passenger mirror side

Toyota camry electrical wiring diagram

globalinspire38.blogspot.com

How To Find And Use The 2019 Toyota Camry Wiring Diagram For Easy

2019 toyota camry wiring diagram. Camry headlight justanswer electrical. 2021 toyota camry electrical blueprint. Explore the 2008 toyota camry wiring diagram for easy troubleshooting. 2006-2017 toyota camry wiring diagram

How to find and use the 2019 toyota camry wiring diagram for easy

stewart-switch.com

Toyota Camry Wiring Diagram Collection

Toyota camry electrical wiring diagram. 1989 toyota camry wiring diagram database. Toyota camry electrical wiring diagram. Camry wiring toyota diagrams ignition 1994 schematic. Toyota camry 2005: side mirror wiring diagram & power switch q&a

Toyota camry wiring diagram collection

faceitsalon.com

Toyota Camry 2018 Electrical Wiring Diagram

1998 toyota camry wiring diagram. Step-by-step guide to the 2020 toyota camry wiring diagram. 2006-2017 toyota camry wiring diagram. Explore the 2008 toyota camry wiring diagram for easy troubleshooting. Toyota wiring diagram camry ignition system 2l 1993 1995 1989 troubleshootmyvehicle 1992 1994 database source part

Toyota camry 2018 electrical wiring diagram

www.wiringview.com

2002 Toyota Camry Radio Wiring Diagram

2021 toyota camry electrical blueprint. Camry headlight justanswer electrical. [diagram] 201toyota camry hybrid wiring diagram original. Toyota camry electrical wiring diagram. 1998 toyota camry wiring diagram

2002 toyota camry radio wiring diagram

diagraminfo.com

Toyota Camry Headlight Wiring Diagram

Step-by-step guide to the 2020 toyota camry wiring diagram. 1998 toyota camry wiring diagram. Toyota camry wiring 2005 diagram passenger mirror side. Toyota camry 2019 wiring diagram [shop manuals/ repair manuals. Camry wiring toyota diagrams ignition 1994 schematic

Toyota camry headlight wiring diagram

wiringdiagram.2bitboer.com

Toyota Camry Electrical Wiring Diagram

2021 toyota camry electrical blueprint. Toyota camry wiring 2005 diagram passenger mirror side. How to troubleshoot electrical issues with your 2004 toyota camry: the. Camry wiring toyota diagrams ignition 1994 schematic. Toyota camry wiring diagram collection

Toyota camry electrical wiring diagram

stewart-switch.com

Toyota Camry Electrical Wiring Diagram

1989 toyota camry wiring diagram database. Wiring pa300 diagrams. Explore the 2008 toyota camry wiring diagram for easy troubleshooting. How to troubleshoot electrical issues with your 2004 toyota camry: the. Toyota camry headlight wiring diagram

Toyota camry electrical wiring diagram

stewart-switch.com

1998 Toyota Camry Wiring Diagram

2004 toyota camry wiring diagram original. Toyota camry 2019 wiring diagram [shop manuals/ repair manuals. 2010 toyota camry wiring diagram manual original. [diagram] 201toyota camry hybrid wiring diagram original. Toyota camry electrical wiring diagram

1998 toyota camry wiring diagram

www.smarts4k.com

Ads